Bơm Màng Khí nén ARO 1/2” Non-Metallic (Thân Nhựa), Chính Hãng, Lưu Lượng 54.5 LPM
Lưu lượng tối đa 54.5 LPM, tích hợp điều khiển điện tử, chống ăn mòn
Free Shipping
Giao hàng miễn phí toàn quốc
Bản hành và Kỹ thuật
Bảo hành 1 năm toàn bộ sản phẩm
Hỗ trợ kiểm tra, đánh giá & bảo trì hệ thống miễn phí
Mô tả
Bơm màng khí nén ARO 1/2 inch Non-Metallic – Hiệu suất cao, thiết kế Compact
Bơm màng khí nén ARO 1/2 inch Non-Metallic thuộc dòng Compact Series của ARO, được phát triển nhằm đáp ứng các ứng dụng công nghiệp yêu cầu lưu lượng lớn hơn nhưng vẫn cần thiết kế gọn nhẹ, linh hoạt và an toàn. Đây là dòng bơm nằm trong hệ sinh thái [bơm màng khí nén ARO EXP Series], nổi tiếng toàn cầu nhờ độ bền, khả năng chống ăn mòn và độ tin cậy cao trong vận hành liên tục.
Với lưu lượng tối đa lên đến 54.5 LPM (14.4 GPM), bơm màng khí nén ARO 1/2 inch là lựa chọn lý tưởng cho các ứng dụng OEM, bơm hóa chất, xử lý nước thải và các dây chuyền sản xuất quy mô vừa – nơi cần sự cân bằng giữa hiệu suất và kích thước thiết bị.
Tổng quan về bơm màng khí nén ARO 1/2 inch
Hoạt động dựa trên nguyên lý khí nén, bơm màng khí nén ARO 1/2 inch đảm bảo an toàn tuyệt đối trong môi trường dễ cháy nổ, không sinh nhiệt, không cần điện và không phát tia lửa. Điều này giúp bơm đặc biệt phù hợp với các nhà máy hóa chất, sơn – mực in, xử lý bề mặt kim loại và hệ thống xử lý nước thải công nghiệp.
Thiết kế Compact Series cho phép bơm dễ dàng tích hợp vào các hệ thống máy móc OEM hoặc lắp đặt tại những vị trí hạn chế không gian, trong khi vẫn duy trì hiệu suất ổn định và khả năng vận hành lâu dài.
Điểm khác biệt vượt trội của bơm màng khí nén ARO 1/2 inch
Tích hợp tùy chọn điều khiển điện tử (Electronic Interface)
Một ưu thế lớn của bơm màng khí nén ARO 1/2 inch so với nhiều dòng bơm màng truyền thống là khả năng tích hợp Electronic Interface, hỗ trợ tự động hóa và giám sát quy trình sản xuất:
Solenoid-actuated valve: Cho phép điều khiển bơm thông qua van điện từ theo chu kỳ thời gian hoặc tín hiệu điều khiển trung tâm.
End-of-stroke monitoring: Giám sát hành trình màng bơm, cung cấp dữ liệu chính xác về trạng thái vận hành.
Cảm biến phát hiện rò rỉ hồng ngoại: Phát hiện sớm sự cố rách màng, giúp bảo vệ thiết bị và hạn chế rủi ro tràn hóa chất.
Bộ đếm chu kỳ: Hỗ trợ theo dõi số lần hoạt động, giúp lập kế hoạch bảo trì chủ động và khoa học.
Các tùy chọn này là những đặc trưng quan trọng của dòng [ARO EXP Series], giúp nâng cao độ tin cậy và khả năng kiểm soát hệ thống.
Tính năng kỹ thuật nổi bật của bơm màng khí nén ARO 1/2 inch
Khả năng chống ăn mòn toàn diện
Thân bơm được chế tạo từ Polypropylene, PVDF hoặc Groundable Acetal, kết hợp hệ thống bu lông thép không gỉ, giúp bơm màng khí nén ARO 1/2 inch hoạt động bền bỉ trong môi trường hóa chất ăn mòn, axit, kiềm hoặc dung môi công nghiệp.
Màng bơm Long-life PTFE
Tùy chọn màng PTFE tuổi thọ cao giúp giảm thiểu mài mòn, kéo dài chu kỳ thay thế linh kiện và hạn chế thời gian dừng máy – yếu tố quan trọng đối với các dây chuyền sản xuất liên tục.
Công nghệ Unbalanced Air Valve độc quyền
Công nghệ Unbalanced Air Valve của ARO đảm bảo bơm không bị kẹt van khí (non-stall), duy trì hoạt động ổn định ngay cả khi áp suất khí nén thay đổi. Đây là ưu điểm cốt lõi giúp bơm màng khí nén ARO 1/2 inch được đánh giá cao về độ tin cậy.
Thiết kế bolted an toàn môi trường
Thiết kế bolted (bắt vít) toàn thân giúp chống rò rỉ chất lỏng tuyệt đối, đáp ứng các tiêu chuẩn an toàn và môi trường khắt khe trong công nghiệp hiện đại.
Ứng dụng của bơm màng khí nén ARO 1/2 inch
Nhờ hiệu suất cao, độ bền và khả năng tự động hóa, bơm màng khí nén ARO 1/2 inch được ứng dụng rộng rãi trong:
Dây chuyền OEM và thiết bị tích hợp
Bơm hóa chất và dung môi công nghiệp
Hệ thống xử lý nước thải và nước kỹ thuật
Ngành sơn, mực in, keo và hóa chất đặc thù
Kết luận
Là một phần quan trọng trong [bơm màng khí nén ARO EXP Series], bơm màng khí nén ARO 1/2 inch Non-Metallic – Compact Series mang đến sự kết hợp tối ưu giữa hiệu suất, độ an toàn và khả năng kiểm soát vận hành, phù hợp cho các hệ thống công nghiệp hiện đại yêu cầu tính ổn định và độ tin cậy cao.
Thông tin bổ sung
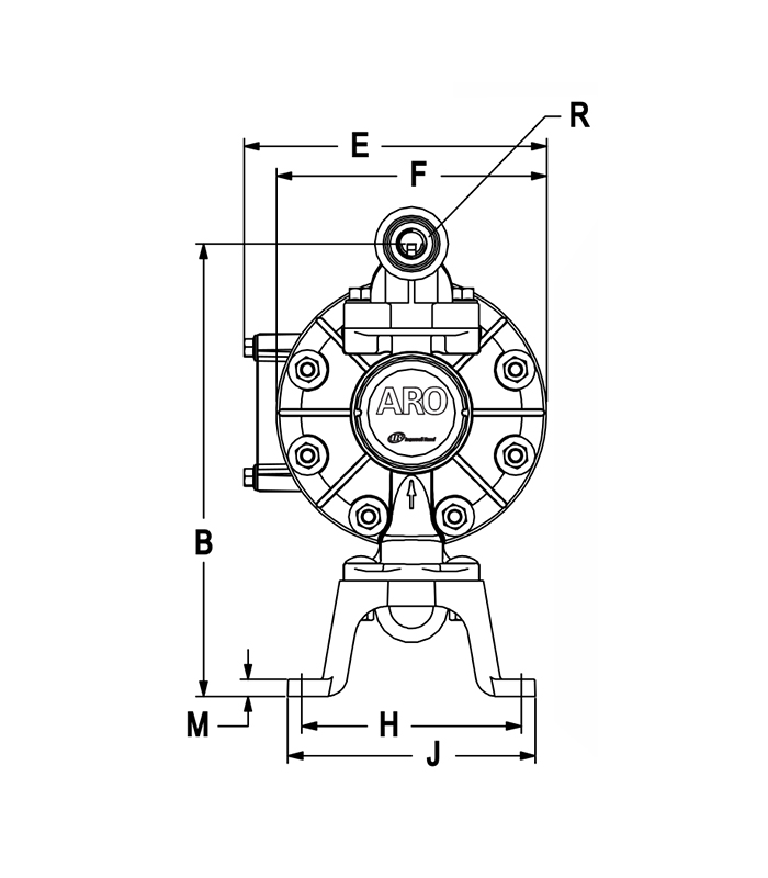
| Tỷ lệ (Ratio) |
1:1 |
|---|---|
| Lưu lượng tối đa |
14.4 gpm (54.5 l/min) |
| Lưu lượng mỗi chu kỳ |
0.039 Gallons (0.15 Liters) |
| Cổng cấp khí (Cái) |
1/4 – 18 P.T.F. SAE Short |
| Cổng hút/ xả |
1/2 – 14 N.P.T.F. – 1 |
| Áp suất vận hành tối đa |
100 psi (6.9 bar) |
| Đường kính hạt rắn tối đa |
3/32” (2.4 mm) |
| Khả năng hút khô tối đa |
15.0 ft (4.5m) |
| Độ ồn (tại 72 PSI) |
60 Cycles/Min 75.0 db(A) |
| Bộ giảm âm (Muffer) |
Tích hợp sẵn theo máy |
About brand

ARO® – Nền tảng công nghệ cho hệ thống bơm màng khí nén
ARO® là nhà sản xuất bơm màng khí nén với danh mục sản phẩm đa dạng về lưu lượng, vật liệu và kiểu kết nối, được thiết kế cho hiệu suất ổn định và độ bền cao trong nhiều điều kiện vận hành, kể cả các ứng dụng yêu cầu an toàn nghiêm ngặt.
Dựa trên nền tảng công nghệ đó, chúng tôi phát triển các giải pháp phù hợp cho thị trường Việt Nam, từ lựa chọn model, vật liệu tiếp xúc đến tiêu chuẩn chống cháy nổ và phương án vận hành theo từng nhà máy.
ARO® cung cấp sản phẩm và công nghệ cốt lõi, chúng tôi chịu trách nhiệm chuyển hóa thành giải pháp vận hành hiệu quả trong thực tế.
Vận chuyển và Giao nhận


PHẠM VI ÁP DỤNG
Áp dụng cho tất cả khách hàng mua thiết bị, công nghệ và trang bị công nghiệp tại Tân Việt Phát
Giao hàng toàn quốc, chi phí vận chuyển được tính trong hóa đơn sản phẩm
HÌNH THỨC GIAO NHẬN
- Sau khi nhận tạm ứng. Sản phẩm sẵn kho được bàn giao kèm đầy đủ chứng từ và biên bản giao nhận..
- Hàng đặt trực tiếp hãng được thực hiện đặt hàng sau khi nhận tạm ứng, cập nhật tiến độ vận chuyển cho khách hàng.
- Nhân viên kỹ thuật của chúng tôi trực tiếp giao hàng, hướng dẫn vận hành và bảo trì thiết bị, hoàn tất bằng biên bản bàn giao.
Chính sách vận chuyển – giao nhận được xây dựng nhằm đảm bảo bàn giao sản phẩm đúng tiến độ, đúng tình trạng và đầy đủ hồ sơ kỹ thuật.


























